• 亚洲成色WWW成人网站妖精,妖精视频在哪个网址播放,妖精视频在线免费观看,妖精视频APP在线观看IOS

    谘詢熱線
    0373-268 2333
    廠家微信
    當前位置:首頁 > 公司產品 > 小型不鏽鋼妖精视频在哪个网址播放

    小型不鏽鋼妖精视频在哪个网址播放

    小型不鏽鋼妖精视频在哪个网址播放

    產品名稱:小型不鏽鋼妖精视频在哪个网址播放 價格:2400-4000元

    產品型號:DH-400-1S

    小型不鏽鋼妖精视频在哪个网址播放為400mm直徑小型妖精视频在哪个网址播放,整機為304不鏽鋼材質,幹淨衛生,適用於空間有限或小規模篩分的場合,如實驗室、小型生產線等。

    網孔尺寸:400目或0.028mm 產量:100公斤/時

    材質:304不鏽鋼或316L不鏽鋼

    應用:麵粉、澱粉、中藥粉、果汁、豆漿、大米、中藥粉、小麥等小產量,衛生要求高的物料篩分

    谘詢報價銷售熱線:0373-268 2333

    小型不鏽鋼妖精视频在哪个网址播放概述

    小型不鏽鋼妖精视频在哪个网址播放篩選幹茶葉

    小型不鏽鋼妖精视频在哪个网址播放是一種尺寸較小、結構緊湊的小型妖精视频在哪个网址播放料機,篩麵直徑400mm,每小時處理量可達100公斤,適用於小規模生產線,如小型加工廠或試生產線,用於對物料進行初步的篩分和分離,具有較小的外形尺寸和輕便的結構,適合在有限空間或需要移動的場合使用。

    主要針對的是一些所需要篩分的物料量較少,所以該產品采用的也是一種較小的振動電機。

    小型全不鏽鋼妖精视频在哪个网址播放,不鏽鋼+碳鋼

    小型不鏽鋼妖精视频在哪个网址播放層級展示:一層,兩層,三層,四層等。

    小型不鏽鋼妖精视频在哪个网址播放由304或316L不鏽鋼拋光製成,焊縫處無焊縫,易於清潔,確保沒有材料沉積並避免汙染篩分產品,所有橡膠製件均為矽膠材質,適用於麵粉、飼料、藥粉、塑料顆粒等要求潔淨度和酸性的幹濕物料的篩分過濾。

    小型不鏽鋼妖精视频在哪个网址播放技術參數

    型號
    Model
    功率
    (kw)
    篩分直徑
    (m/m)
    入料粒度
    (mm)
    電壓
    (v)
    轉速
    (r/min)
    處理量
    (kg/h)
    DH-400 0.18 350 <10 380 1440 100

    小型不鏽鋼妖精视频在哪个网址播放視頻

    篩選矽石粉

    篩分甘草片

    小型不鏽鋼妖精视频在哪个网址播放用途

    應用現場

    小型不鏽鋼妖精视频在哪个网址播放可用於篩分麵粉、原料藥、果汁、豆漿、大米、中藥粉、小麥、芝麻、咖啡、香料、中藥片劑、膠囊劑等幹粉或顆粒狀產品以及濕產品和液體,它可以通過連續過濾去除產品中的異物,可用於製藥、化工、食品、金屬粉末等行業。

    1、去除雜質:通常是1層篩網,通常通過篩網的精細產品會被保留為優質產品,也可用於去除破損或尺寸過小的產品。在大多數生產環境中,要麽是流程中防止汙染,要麽是包裝機之前進行質量檢查。

    2、分級:從產品中分離出不同大小的顆粒,從而使最終物料被分類為不同的大小。由於粒度非常接近孔徑,分級篩的吞吐量通常比垃圾篩慢得多,然而,這可以通過更大的篩網麵積或微調電機重量設置來補償。

    3、固液分離:能快速去除各種漿料中的不溶物。每小時可過濾100立方米,適用於陶瓷釉料、顏料、豆漿、果汁等液體的過濾。

    小型不鏽鋼妖精视频在哪个网址播放工作原理

    小型不鏽鋼妖精视频在哪个网址播放采用立式振動電機為激振源,根據不同的篩分要求,物料通過1-5層不同目數的篩網,在這個過程中,位於各層篩網下方的清潔裝置不斷地撞擊篩網,有效避免物料堵塞問題,不同目數的物料通過各層相應目數的篩網或通過各層設置的出口排出,實現篩選或過濾的目的。調整電機上下端的相位角可以改變物料在篩麵上的運動軌跡。

    小型不鏽鋼妖精视频在哪个网址播放的特點

    效率高:效率高,設計精巧耐用,任何分類,粘液均可的篩分。操作簡單:換網容易,操作簡單,清洗方便。網孔不堵塞:網孔不堵塞,粉末不飛揚,可篩至400目或0.028mm,連續作業:雜質,粗料自動排出,可以連續作業。

    適用低產量用戶,價格低至4000元,雜質,粗料自動排出。

    1、尺寸小巧:尺寸相對較小,體積緊湊,重量輕,便於搬運和安裝,它適用於空間有限的場所,如實驗室、小型生產線等。

    2、小批量篩選:篩機直徑為400mm,小產量用戶,每小時處理量可達100公斤。

    3、幹淨衛生、易於清洗:采用304/316L不鏽鋼材質製成,不易生鏽,幹淨衛生。符合食品,醫藥行業衛生。

    4、篩分精細:可去除過大和汙染物以提高您的產品質量,可篩分500目或0.028mm粉粒,也可過濾5微米以內的漿液。

    5、篩網易更換:篩網通常采用鋼絲網或合成纖維網,用戶可以根據需要選擇不同規格和孔徑的篩網,以滿足不同粒度的物料篩分要求。

    小型不鏽鋼妖精视频在哪个网址播放配件細節圖

    篩框,振動底座,彈跳球,密封圈。

    小型不鏽鋼妖精视频在哪个网址播放是一種常見的妖精视频在哪个网址播放妖精视频在线免费观看,它采用旋轉振動方式進行物料篩分。其結構主要包括以下幾個部分:

    篩箱:篩箱是旋振篩的主體部分,通常為圓筒形狀。它由上蓋、下底座和側板組成。篩箱內設置有篩網(也稱為篩片),用於篩分物料。

    振動電機:安裝在篩箱的下底座上,通過固定座將振動力傳遞給篩箱,使其產生旋轉振動。

    篩網:通常由金屬絲網或合成纖維網等材料製成,具有不同的孔徑和網眼尺寸,根據物料篩分要求選擇合適的篩網規格。

    篩框:篩框是篩網的支撐結構,通常由金屬材料製成。它提供了篩網安裝的支撐平台,並保持篩網的穩定性和緊固。

    進料口:上方設置有進料口,用於將待篩分的物料投入篩箱內。進料口通常具有導流裝置,以確保物料均勻分布在篩網上。

    出料口:用於排出已篩分的物料。出料口通常設有擋板或導流裝置,以控製物料的流動方向和速度。

    出料口擋板:出料口擋板或導流裝置用於控製已篩分物料的流動方向和速度,以便將物料導向所需的出料路徑。

    小型不鏽鋼妖精视频在哪个网址播放客戶使用現場

    客戶案例

    材料 網孔尺寸 產能 (kg/h IT/h)
    中藥粉 100-300 400-600
    麵粉 20-80 1000
    可可粉 300 700
    研磨咖啡 20-80 400-800
    蜂蜜 80 200

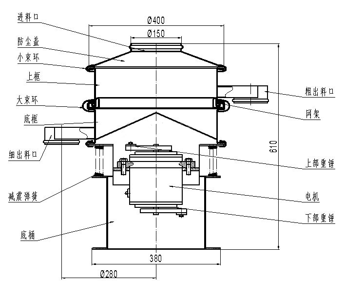
    小型不鏽鋼妖精视频在哪个网址播放尺寸

    進料口,防塵蓋,小束環,上框,大束環,粗出料口,大束環,細出料口,減震彈簧,底桶,電機,上部重錘,下部重錘,網架。

    型號 A B C D E F G H I
    DH-400-1S 380 280 150 400 100 70 280 715 350

    小型不鏽鋼妖精视频在哪个网址播放應用場景

    小型妖精视频在哪个网址播放的處理能力相對較小,適用於小批量物料的篩分和分離。

    1、實驗室和研發:用於實驗室和研發領域,用於對小批量物料進行篩分和分級。它可以用於評估物料的顆粒特性、分布和篩分效果,為後續工藝和產品開發提供數據支持。

    2、食品加工:可以用於糧食加工中的穀物篩分、食品原料的分級、粉末狀食品的篩分等。小型妖精视频在哪个网址播放可以幫助提高食品的質量和安全性,滿足不同顆粒大小的要求。

    3、化工工業:用於化工原料的篩分、顆粒狀產品的分級、粉末的篩分等。小型妖精视频在哪个网址播放可以幫助提高化工產品的質量和均勻度,並滿足特定的顆粒要求。

    4、製藥行業:可以用於檢測醫藥顆粒中的顆粒大小和顆粒分布,確保醫藥的質量和一致性。

    小型不鏽鋼妖精视频在哪个网址播放廠家

    亚洲成色WWW成人网站妖精小型妖精视频在哪个网址播放廠家提供小型妖精视频在哪个网址播放分機(小型不鏽鋼旋振篩),不鏽鋼妖精视频在哪个网址播放,小型不鏽鋼超聲波妖精视频在哪个网址播放,小型不鏽鋼單層妖精视频在哪个网址播放,小型不鏽鋼多層妖精视频在哪个网址播放,小型不鏽鋼妖精视频在哪个网址播放粉機,小型不鏽鋼圓妖精视频在哪个网址播放,小型糧食妖精视频在哪个网址播放等產品,型號全,價格低至3000元起,材質有碳鋼,不鏽鋼,塑料三種,層級1-5層,適合500目內的粉末,顆粒,液體物料,是小產量用戶專用妖精视频在线免费观看。

    發貨現場

    旋振篩,直線妖精视频在哪个网址播放,搖擺篩,超聲波妖精视频在哪个网址播放,試驗篩

    Copyright © 2008-2024 妖精视频在哪个网址播放廠家 - 新鄉市亚洲成色WWW成人网站妖精振動機械有限公司 版權所有 免責聲明

    地址:延津縣森林公園大門西1000米路北 備案號:豫ICP備10432561號-20

    網站地圖