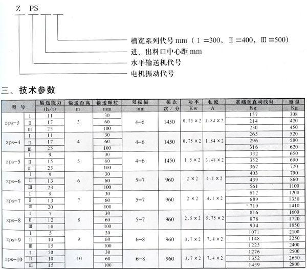
ZPS係列振動輸送機采用振動電機作為振動源、使物料被拋起同時向前做直線運動,達到輸送的目的;結構形式分為敞開式、封閉式、輸送形式可分為槽式輸送或管式輸送,電機位置可上、下或側麵裝配;該機型結構簡單、安裝、維修方便、能耗低、無粉塵溢散、噪音等優點。廣泛應用於冶金、煤炭、建材化工、食品等行業中的粉狀及顆粒狀物料輸送。


旋振篩,直線妖精视频在哪个网址播放,搖擺篩,超聲波妖精视频在哪个网址播放,試驗篩
Copyright © 2008-2022 妖精视频在哪个网址播放廠家 - 新鄉市亚洲成色WWW成人网站妖精振動機械有限公司 版權所有 免責聲明
地址:延津縣森林公園大門西1000米路北 備案號:豫ICP備10432561號-20